78711-R,20
78710-R,10
78712-R,50
oderGN 300-30-B5-SW;60
GN 612-5-M12x1,5-A;40
DIN 172-B10,5-20-A;50
ISO 8675-M8x1-04-BT;10
78711-R,20
78710-R,10
78712-R,50
oderGN 300-30-B5-SW;60
GN 612-5-M12x1,5-A;40
DIN 172-B10,5-20-A;50
ISO 8675-M8x1-04-BT;10
Sterngriff DIN 6336
Kunststoff (Polyamid PA)
schwarz, matt
Türriegel
Stahlblech
verzinkt, blau passiviert
Bolzen und Distanzhülse
Stahl
verzinkt, blau passiviert
Türverriegelungen GN 117 sind vibrationssicher und haben einen großen Anzugsbereich von 10 mm. Das Verriegeln erfolgt durch Rechtsdrehung (Uhrzeigersinn).
Hervorzuheben ist die einfache und damit kostensparende Montage.
Durch das Drehen der Verriegelung im Uhrzeigersinn greift der federnd abgestützte, stufenförmig ausgebildete Türriegel hinter die Zarge und zieht die Tür zu.
Durch den großen Anzugsbereich von (10 mm) lassen sich auch Türen mit Dichtungen problemlos verriegeln. Bei Auswahl der Zargenlänge Z ist die Dichtung eventuell zu berücksichtigen. Der federnde Andruck (Tellerfedern) verhindert das selbständige Öffnen bei Vibrationen.
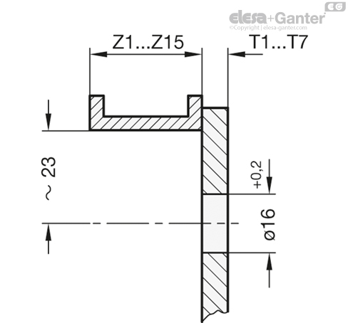
Zur Montage wird in der Tür lediglich eine Bohrung Ø 16 mm im Abstand von 23 mm von der Zarge angebracht. Der Bolzen wird von der Vorderseite her durchgesteckt, Distanzhülse, Türriegel und Tellerfedern nacheinander von der Rückseite aufgeschoben. Mit der selbstsichernden Mutter wird die Verriegelung so fest angezogen, dass sie sich noch leicht drehen lässt.
Mit der selbstsichernden Mutter wird die Verriegelung so fest angezogen, dass sie sich noch leicht drehen lässt.
| T+Z | l max. |
| ≤ 13.5 | 31 |
| ≤ 18 | 35.5 |
| ≤ 22.5 | 40 |
| ≤ 27 | 44.5 |
| ≤ 31.5 | 49 |
| ≤ 36 | 53.5 |
| ≤ 40.5 | 58 |
| ≤ 45 | 62.5 |
| ≤ 49.5 | 67 |
| ≤ 54 | 71.5 |
| ≤ 58.5 | 76 |
| ≤ 63 | 80.5 |
Ihre Anfrage wurde gesendet und wird so schnell wie möglich bearbeitet.