GN 7404-AL
GN 7404
Belüftungs- / Entlüftungsmembranen
78711-R,20
78710-R,10
78712-R,50
oderGN 300-30-B5-SW;60
GN 612-5-M12x1,5-A;40
DIN 172-B10,5-20-A;50
ISO 8675-M8x1-04-BT;10
78711-R,20
78710-R,10
78712-R,50
oderGN 300-30-B5-SW;60
GN 612-5-M12x1,5-A;40
DIN 172-B10,5-20-A;50
ISO 8675-M8x1-04-BT;10
Gehäuse
Membran
Polyamid-Vlies, ungewoben / Acryl-Copolymer-Benetzung
Membraneinfassung
Kunststoff (Polyamid PA)
Schutzsieb
Edelstahl 1.4301
Dichtung / O-Ring
Gummi NBR (Perbunan®)
Edelstahl-Be- und Entlüftungsmembranen GN 7404 werden im Gehäuse- und Gerätebau eingesetzt. In einer Gehäusewand eingebaut, ermöglichen sie einen Druckausgleich zwischen Gehäuseinnenraum und der Umgebung.
Mögliche, vom gasförmigen Medium mitgeführte Schmutz- und Staubpartikel, aber auch Öl- und Wassertropfen werden zurückgehalten. Dies schützt den Gehäuseinnenraum vor Verschmutzung und Nässe und hindert z.B. Öltröpfchen am Austritt in die Umgebung.
Ein vollständiges Bedecken der Membran mit Öl oder Wasser sowie ein Überschreiten des Differenzdrucks / Luftdurchlassvolumen sollte zum Schutz der Membranen vermieden werden. Der Einbau in geschützter Position seitlich / vertikal ist zu bevorzugen.
Der Außen-Ø der Gehäuse mit dem zurückgesetzten Sechskant ist auf Einschraublöcher für Rohrverschraubungen DIN 3852 abgestimmt.
Die Dichtung ist in einem planseitigen Einstich eingebettet. Dadurch ist sie gegen Verlust geschützt und kann beim Anziehen nicht herausgequetscht werden.
Montagehinweis: Bei Wandstärken unter 4 mm werden folgende Befestigungsmuttern verwendet GN 7430.
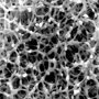
Die Membranen bestehen aus einem Polyamid-Vlies als Trägermaterial, welches eine völlig ungeordnete Struktur ausweist. Durch Tränken mit einem Acryl-Co-polymer, welches die Vliesfasern vollständig benetzt, die Vlieszwischenräume jedoch nicht ausfüllt, entstehen die winzigen Membranporen.
Material- und Prozessparameter beeinflussen bei der Herstellung die Porengröße, welche zwischen 0,2 und 10 µm liegt. Die Qualität der Membran kann mittels „Porometrie“ bestimmt werden, einem Rating-Verfahren, welches u. a. die Größenverteilung der Membranporen und die Luftdurchlässigkeit beurteilt. Zur Veranschaulichung nebenstehend eine Mikroskopaufnahme durch den Querschnitt einer Membran.
Zum Vergleich: Siebe lassen sich erst ab einer Maschenweite von mindestens 50 µm wirtschaftlich herstellen.
Membran, Mikroskopaufnahme, 2000-fache Vergrößerung
Die Membranen sind aufgrund der Werkstoffe und deren Oberflächenstruktur öl- und wasserabweisend, so dass Wasser- bzw. Öltropfen die Membranoberfläche nicht flächig benetzen können. Unterstützt wird die abweisende Eigenschaft durch eine seitlich, vertikale Einbaulage.
Wird die Membran im Ausnahmefall vollflächig dennoch bedeckt, können bei entsprechenden Differenzdrücken geringe Mengen Öl oder Wasser durch die Membran hindurch gedrückt werden. Wird die vollflächige Bedeckung wieder aufgehoben, perlt das Öl bzw. Wasser ab und die Membranfunktion ist nach dem Abtropfen wieder uneingeschränkt gegeben.
Für die praktische Anwendung von Membranen ist das max. Luftdurchlassvolumen, die max. Druckdifferenz sowie der max. Betriebsnenn- bzw. Berstdruck von Bedeutung. Das erreichbare Luftdurchlassvolumen hängt linear vom Differenzdruck ab, der 1 bar nicht überschreiten sollte.
Thermisch - Die max. Einsatztemperatur wird von der Membraneinfassung auf 100 °C begrenzt. Die Membran selbst hält Temperaturen von max. 150 °C stand.
Chemisch - Die Membranen sind beständig gegenüber einer Vielzahl von chemischen Stoffen wie z.B. Öle, Kraftstoffe, organische Lösungsmittel und Alkohole, etc. wie sie häufig in der Maschinen- und Fahrzeugtechnik verwendet werden. Im Zweifelsfall sollte ein Verträglichkeits-Test durchgeführt werden.
Ihre Anfrage wurde gesendet und wird so schnell wie möglich bearbeitet.